TD-SCDMA/WLAN多标准无线电收发机
申请号:201010286335.6 申请日:2010-09-17
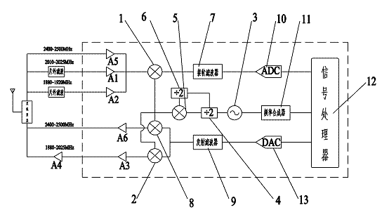
摘要:本发明涉及一种TD-SCDMA/WLAN多标准无线电收发机,其包括信号处理器、模数转换器ADC及数模转换器DAC相连;模数转换器ADC通过接收滤波器与接收混频器相连,本振混频器与第一本振除法器及第二本振除法器相连,第二本振除法器通过第一本振除法器与压控振荡器相连,压控振荡器通过频率合成器与信号处理器的输出端相连;数模转换器DAC通过发射滤波器与第一发射混频器及第二发射混频器相连,接收混频器、第一发射混频器及第二发射混频器均与本振混频器相连。本发明采用相同的接收混频器进行混频,通过共享接收混频器接收滤波器、模数转换器ADC、数模转换器DAC与发射滤波器,节省了芯片空间,减小终端设备体积,降低了成本,提高了便携性。

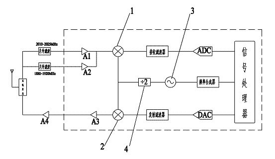
现有TD-CSDMA无线收发机使用状态结构原理图

本发明使用状态结构原理图
详细>>
返回首页